近日,中冶京誠鳳凰爐中標太鋼不銹熱軋廠中厚板生產線智能化升級改造加熱爐總承包項目。 這是近年來繼湘鋼中小棒加熱爐、山鋼日照2050mm熱軋加熱爐、寶鋼2050mm熱軋加熱爐、柳鋼防城港1780mm熱軋加熱爐等項目成功投用后,中冶京誠鳳凰爐智能加熱爐技術產品再次得到業主信賴與認可。
在“中國制造2025”的發展背景下,圍繞著制造業的升級和改造,各種實踐層出不窮。中冶集團“十四五”時期的定位之一是“要引領中國冶金實現智能化、綠色化、低碳化、高效化發展”。中冶京誠鳳凰爐通過二十多年的技術研發、成功應用和實踐改進,其工業爐智能化技術水平已達國際領先地位,從智能設計、智能設備制造、智能生產控制、智能服務等四個環節極致打造全生命周期智能化加熱爐。
2000年左右,中冶京誠鳳凰爐首套二級過程優化控制系統在國內某加熱爐工程中成功投用。2010年,太鋼不銹1549mm熱連軋4座步進梁式加熱爐相繼投產,智能加熱爐為日后太鋼不銹建設智慧工廠,奠定了良好基礎。之后的十年間,中冶京誠鳳凰爐又陸續為國內外幾十座加熱爐成功應用智能加熱爐技術,從加熱爐的智能設計到設備智能制造,應用智能控制實現加熱爐區全過程自動控制,包括過程自動化、燃燒優化控制和基礎自動化,通過智能化的手段來實現提高加熱質量和加熱效率、節能環保、降低生產維護和管理成本,使爐區的自動化水平達到國際先進水平。
中冶京誠鳳凰爐遠程集控中心
智能設計
中冶京誠鳳凰爐智能設計基于適用各類工業爐全套完整的熱工設計計算軟件,可以在方案前期及設計階段,根據每位用戶的工藝要求,計算模擬各類熱工設備多工況的參數,滿足不斷增多的鋼種加熱計算需求,尤其在特鋼和不銹鋼工業爐領域,使用效果顯著。
智能設計采用大數據進行智能分析,優化設計,并將設計參數迅速轉化為三維模型,以提供更高效、更精確的設計,為加熱爐施工安裝提供便利,促使加熱爐生產更節能降耗。
依托自有國內一流的熱工實驗室,承擔科研項目或課題,進行新型燃燒器、工業爐新技術的研發,根據工程設計需要,隨時開展相應實驗,以驗證和改進相關設計。
熱工計算模型
智能設備制造
中冶京誠鳳凰爐擁有自己的專業制造廠,能夠運用計算機相關模型進行輔助分析和設計,對照工藝圖設計設備制造圖,使用現代化的計算機數控設備,實現智能化生產,以此提高產品的精度,提升產品的品質,提高設備壽命和整體性能。同時,設備制造環節與工業爐整體設計、施工、安裝形成智能互聯,為用戶提供工業爐全套設備的定制化服務。
智能生產控制
中冶京誠鳳凰爐智能生產控制在完善的基礎自動化基礎上,依托經過幾百座加熱爐業績應用不斷積累改進的二級控制系統,能夠為用戶提供更優、更安全的爐區智能管理,達到一鍵化智能生產控制,實現無人化操作。
智能優化燃燒系統,是以坯料跟蹤為基礎,應用熱工計算模型對加熱爐的爐溫設定值進行優化計算,實現爐溫和燃耗量的優化控制,以保證軋鋼工藝要求的加熱質量,并盡可能節約燃料,使加熱爐處于最優的工作狀態,達到提高加熱質量和加熱效率,節能環保的目標。系統采取裝出鋼調度與節奏控制決策,實現生產節奏與軋線相匹配。

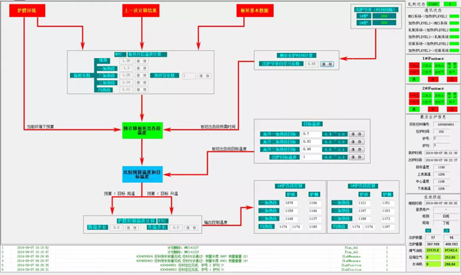
熱工計算模型,是中冶京誠鳳凰爐最具競爭力的拳頭產品,是智能優化燃燒系統的核心,歷經二十多年的不斷優化和改進,已達國際領先水平。該模型基于幾百座各種類型加熱爐成功應用的經驗積累,與鳳凰爐設計計算軟件采用同一模型,是在設計、現場調試中不斷補充、豐富、優化的結晶,能夠為用戶提供更精確、適用更加復雜工況的參數設定,真正滿足變化多樣的實際生產需要。該模型使加熱爐熱工控制更加智能、運行更加高效,適應工況范圍更廣,尤其是在特鋼和不銹鋼領域的應用效果顯著,助力客戶提升效益。
實際溫度控制曲線圖
超低NOx無焰燒嘴及控制技術,是中冶京誠鳳凰爐智能生產控制依托的自主核心設備產品,達國際領先水平,不僅實現了超低排放,而且實現了爐內溫度的精確控制,能夠匹配各類爐型,滿足各類鋼種、各類尺寸鋼坯的加熱溫度均勻性控制要求,在設備上對生產智能化提供有力保障。
爐內氣氛精確控制,可以利用多類氣氛檢測手段,采取獨有的爐內氣氛精確控制策略,滿足各類加熱爐的爐內氣氛控制需要,尤其是在滿足特鋼用戶對脫碳及氧化燒損的控制方面業績豐富。
智能步進運行,是鳳凰爐智能控制的另一項核心技術,該技術包括歷經多年經驗積累的液壓控制策略及相關智能參數設定,能夠真正實現步進梁的緩升緩降,有效降低氧化燒損和提升設備壽命。
爐區物流管理,可以兼容多種坯料位置及外形檢測手段。從爐區自動化系統和其他系統采集數據,進行生產實績數據收集處理。
物料跟蹤系統
系統安全控制,配置有完善的汽化冷卻系統等爐區輔助系統控制,具備一健啟停爐及各類安全管控。對各類設備進行安全運行管控,實時感知設備狀態,提前給出預警和處理方案。
智能服務
中冶京誠鳳凰爐智能控制擁有多種工業爐數據通訊策略,已率先在國內取得利用5G技術實現爐區智能管控的工程業績,配置有最先進的中冶京誠鳳凰爐智控APP,可實現有遠程信息推送、遠程生產狀態監控、遠程生產數據查詢、設備故障遠程會診等功能。生產及專業管理人員可通過手機等遠程終端隨時隨地查看加熱爐當前的加熱情況、設備狀態、生產參數及介質消耗等,并可以分專業進行報警信息推送。中冶京誠鳳凰爐智能控制可根據用戶要求實現多種集控方式,具備多種遠程控制策略,使加熱爐的生產操作、日常維護和設備管理更加人性化、智能化。
智控APP控制界面
中冶京誠鳳凰爐堅持創新引領,以獨占鰲頭的核心技術,無可替代的工業爐全生命周期解決方案,持續不斷的革新創新能力和具有自主知識產權、達到國際先進水平的專業產品,不斷為客戶創造更大價值,助推我國鋼鐵工業智能化高質量發展。




























