我國是鋼鐵大國,鋼鐵行業作為高耗能行業,隨著國家能源體制改革逐步深化、政府對鋼鐵能源結構調整要求提高、市場驅動鋼鐵產品多變造成能源結構改變,鋼鐵生產既面臨能源、資源、環境的強約束,又面臨節能技術突破遭遇瓶頸,而低碳清潔能源比例低、集中式能源供應系統柔性不足、能源回收與能源轉換效率提升難、鋼鐵生產和能源利用時空匹配難等問題更加突出的現狀。因此,在“雙碳”目標壓力下,鋼鐵綠色低碳轉型發展亟須節能新理論、節能新技術。通過工藝能源消耗的過程節能提效,引入新能源優化能源結構,提高能源調度靈活性降低用能成本,是實現鋼鐵企業減碳提升競爭力的重要路徑。
儲熱技術優勢在于可以解決能源波動、不連續而導致的能源利用率低、設備效率低等問題,同時提高企業對于新能源的消納能力;進一步的,儲熱技術通過與工藝相結合,提升企業整體能源調度靈活性,可以允許工藝設備設計或運行在較低的負荷,從而降低投資和運行成本。因此,本文通過梳理分析熔鹽儲熱技術的發展及其在鋼鐵工藝中的創新應用,闡述熔鹽儲熱技術在鋼鐵行業能源的綜合利用提效中的可行性,所起到的重要作用以及未來的發展前景。
1 熔鹽儲熱技術原理及特點
熔鹽是熔融鹽的簡稱,指金屬陽離子和非金屬陰離子所形成的熔融態無機鹽,故也可認作離子液體。熔鹽在常溫常壓下為固態,達到一定溫度后轉變為液態,液態熔鹽中陰陽離子之間的相互作用使其具有特殊的物理及化學性能,適合作為傳熱儲熱的媒介。根據陰離子種類的不同,常見熔鹽大致分為氟化鹽、氯化鹽、碳酸鹽、硫酸鹽和硝酸鹽等。
表1 熔鹽分類及特點
|
熔鹽體系 |
主要材料 |
特點 |
|
氯化鹽體系 |
KCl、MgCl2、NaCl、CaCl2 |
使用溫度范圍廣,穩定性好、工作溫度高、腐蝕性強、成本低 |
|
氟化鹽體系 |
NaF、CaF2、MgF2 |
高溶點、高溶融熱和低粘度、腐蝕性強、成本高 |
|
碳酸鹽體系 |
K2CO3、Na2CO3、Li2CO3、Ba2CO3 |
熱力學穩定,化學穩定性差,易發生化學分解產生氧,加劇腐蝕 |
|
硝酸鹽體系 |
NaNO3、KNO3、NaNO2 |
價格低、腐蝕性小、具有優良的傳熱和流動特性、工作溫度低 |
作為儲熱材料大規模應用時,需要熔鹽具有熔點低、分解溫度高、黏度低、熱導率高等特點。
(1)低熔點。熔鹽的溫度低于凝固點時,容易發生“凍管”,導致系統失效,因此低熔點的熔鹽材料可以降低保溫能耗。
(2)高分解溫度。熔鹽的分解溫度決定了其上限使用溫度,較高分解溫度可以保證熔鹽能夠反復使用,長期穩定工作。
(3)高沸點。較低的飽和蒸氣壓有利于保證系統的安全。
(4)大比熱容。比熱容可以決定熔鹽材料的儲熱密度和儲熱能力,較大的比熱容使熔融鹽在相同傳熱量下用量較少。
(5)高熱導率。熱導率決定了熔鹽的傳熱性能,較高的熱導率以防止熔融鹽在蓄熱時因為局部過熱而發生分解,并確保其在供熱發電時能有效提供熱量。
(6)低黏度。熔融鹽流動性好,可以減少泵輸送功率,降低運行成本。
(7)弱腐蝕性。熔融鹽與容器、管路材料相容性好,安全性高。
(8)低成本。原料易得,價格低廉,有利于減小系統投資成本。
因此在目前常用的熔鹽材料中,硝酸鹽體系相對能滿足上述要求,最為適合用作熔鹽儲熱介質,由硝酸鉀、硝酸鈉組成的混合熔鹽已成功應用在太陽能熱發電站的商業案例中,因此成為目前應用最廣、裝機容量最大的儲熱材料。
2 熔鹽儲熱發展歷程及相關行業成熟應用
近幾十年來,硝酸熔鹽組作為傳熱儲熱介質被大眾熟知,是由于其在光熱電站上的大規模應用,近些年,隨著硝酸熔鹽儲熱系統的運行越來越成熟穩定,其儲熱應用也逐漸擴展到清潔能源供熱、火電深度調峰、余熱回收等應用。
2.1 熔鹽儲熱在光熱發電中的應用
從20世紀60年代初期至20世紀90年代初期,美國、西班牙等國大力開展光熱發電技術的研究,因此也主導了熔鹽儲熱技術的研究和開發,1996年美國加利福尼亞Solar Two光熱發電站采用二元硝酸熔鹽Solar Salt(40wt%KNO3-60wt%NaNO3)(后簡稱“太陽鹽”)作為傳熱儲熱介質,該電站長期運行并無重大問題,這奠定了硝酸熔鹽在光熱發電領域的應用基礎。
圖1:美國SolarTwo光熱電站(注:來源互聯網)
圖2:美國SolarTwo光熱電站系統原理(注:來源互聯網)
隨后,國內外建設的光熱電站基本都選用Solar Salt作為儲熱介質,西班牙的Andasol 1-3分別在2009年、2010年和2011年實現并網發電,是歐洲的第一個商業化光熱電站;GemaSolar電站2011年9月底成功投運,是首個實現24h發電的太陽能光熱電站。2014年2月投運的美國Ivanpah電站,是目前全球最大的光熱電站,2016年6月投運的摩洛哥的Noor電站,是由我國企業作為總包方建設的光熱電站。2016年9月我國開始第一批太陽能熱發電示范項目建設開始,目前已經建成投運的電站有8座,都采用了雙罐熔鹽儲熱技術,利用太陽鹽作為儲熱介質。從發展趨勢上看,從21世紀初期至今,光熱電站的發展逐漸從美國、西班牙等發達國家,轉向南非、中國、印度等新興市場,截至2022年全球光熱發電建成裝機容量增至約6892MW。
2.2 熔鹽儲熱在清潔能源供暖中的應用
熔鹽儲熱在清潔能源供暖中應用的主要技術路線是雙罐熔鹽儲熱和單罐熔鹽儲熱兩種,雙罐儲熱供暖系統適用于大型供暖項目,單罐儲熱供暖系統適用于小型供暖項目。熔鹽儲熱供暖系統在低谷電時通過熔鹽電加熱器加熱熔鹽并進行存儲,峰電供暖時則通過換熱系統將儲存的熱能傳遞給水,實現供暖功能。
圖3:雙罐儲能供暖系統工作原理(注:來源互聯網)
圖4:單罐儲能供暖系統工作原理(注:來源互聯網)
由于供暖溫度較低,對于太陽鹽的溫區應用和防凝的要求較高,因此有研究人員開發出低熔點熔鹽,大大減少了熔鹽凍堵的風險,降低了防凝運維費用。2016年到2020年,我國各地零星建成了一些熔鹽儲熱供熱示范項目,但整體來看,熔鹽儲熱技術在供暖領域大規模的商業化項目寥寥可數,主要是熔鹽儲熱低溫供暖的成本與傳統能源技術相比仍相對較高。好的一面是2021年以來,在“雙碳”目標要求下,終端能源電氣化進程的加快,以及對清潔供暖的廣泛關注,利用棄風棄光或谷電加熱熔鹽儲熱供熱技術可以有效轉移棄風棄光或富余的低谷電力,提高電網穩定性和電能的使用率,也增加了供熱安全保障和品質,又使谷電的價格優勢得到了充分發揮,因此在熔鹽儲熱技術的在實現對燃煤燃氣鍋爐替代方面,越來越受到關注和重視。
2.3 熔鹽儲熱在火電靈活性改造中的應用
由于汽機低負荷運行能力要遠高于鍋爐,所以火電機組深度調峰在技術方面存在的困難主要是低負荷工況下鍋爐不能穩定燃燒以及脫硝系統不能正常運行導致大氣污染物排放超標的問題。因此利用熔鹽儲熱系統將鍋爐產生的高溫蒸汽熱量儲存起來,削弱原本剛性聯系的“爐機耦合”。存儲的熱量根據需要再返送汽輪機組發電,這樣就能在保證鍋爐安全運行的同時,靈活性調節汽輪機運行出力,實現機組的靈活運行。
圖5:火電機組熔鹽儲熱系統深度調峰工藝圖
隨著新能源消納的壓力越來越大,近兩年各大火電企業都在熔鹽儲熱深度調峰技術上進行布局,2022年12月江蘇國信靖江電廠熔鹽儲熱調峰供熱項目投入運行,是全國首個真正意義上采用電加熱熔鹽儲熱技術的大規模火電調峰供熱項目。項目設計配套儲熱量75MWh,儲熱用三元鹽1260噸,使用溫度180℃~450℃。根據公開招標信息顯示,華能、國能、以及多個地方能源企業等都在規劃建設熔鹽儲熱火電調峰項目。
3 熔鹽儲熱在鋼鐵行業的應用
3.1 熔鹽儲熱技術在鋼鐵行業中的適用性
目前我國的鋼鐵制造流程主要以長流程為主,具有典型的耗散結構特征,全流程包括原料和能源的儲運、原料處理(燒結、球團等)、焦化、煉鐵、鐵水預處理、煉鋼、鋼水二次冶金、凝固成形、鑄坯再加熱、軋鋼及深加工等諸多工序的準連續或間歇生產過程,使得其制造流程中存在多種能源形式以及能源介質的寬幅波動性。在鋼鐵制造的能源流中,熱能是位于整個能源流的中心,在一次能源和二次能源之間建立聯系。因此,熱能儲存方法可以通過彌合熱量供需缺口,實現熱能生產和消耗的匹配。儲熱技術能夠連接所有能源形式,包括機械能、電能、化石燃料和光能等,通過減少熱損失、余熱回收等方式,提高能源利用率。進一步的,儲熱技術通過與冶金工藝相結合,提升鋼鐵制造流程整體能源調度靈活性,可以允許工藝設備設計或運行在較低的負荷,從而降低投資和運行成本。
圖6:熱能在鋼鐵能源鏈中的關系
從各個環節余熱資源分布來看,每個環節均有余熱產生,余熱資源種類較為豐富,主要包含余壓、煙氣、煤氣和顯熱等,主要集中在煉鐵、煉鋼等工藝環節。煉鐵、煉鋼工藝環節產生的余熱資源占整個鋼鐵余熱資源的60%;各工藝環節中產生的煤氣資源占整個鋼鐵余熱資源的50%。儲能在鋼鐵生產一直被應用,煤氣系統中的“煤氣柜”作為煤氣緩沖與儲存裝置,在系統中可以視為儲能設備,這是鋼鐵工業能源系統中最為重要的蓄能設施;蒸汽系統中,蒸汽蓄能器也是一種重要的蓄能裝置。但是目前儲能技術的應用仍然比較少,在新的發展形勢下,將成熟的熔鹽儲熱系統在鋼鐵生產中創新應用前景非常廣闊。
圖7:鋼鐵余熱資源分布情況
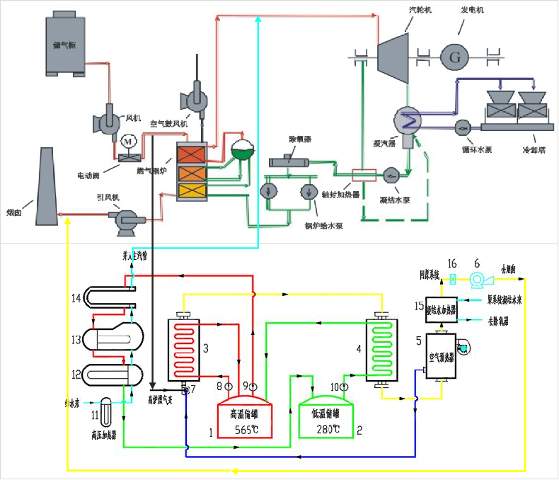
3.2 熔鹽儲熱在低品位蒸汽提質的綜合應用
目前,冶金企業利用余熱產生蒸汽的技術主要有:干熄焦、燒結環冷余熱發電、轉爐煤氣汽化冷卻、電爐煙氣余執回收和加熱爐煙氣汽化冷卻等。然而,這些余熱蒸汽品質普遍較低,且受生產工藝影響,某些蒸汽還具有間歇性和周期性的特點,這不僅限制了蒸汽后續利用,也降低了余熱回收效果。如目前煉鋼的電爐、轉爐等設備,廣泛煙道汽化余熱鍋爐來回收波動性較大的間歇性高溫余熱。將高溫熱能轉化為低品位的低壓飽和蒸汽進行發電,導致余熱資源得不到充分利用。因此,利用熔鹽將間歇性和周期性的高溫余熱進行回收并存儲,對冶金過程中多點的低品位飽和蒸汽進行過熱,或者直接轉化為穩定可持續的高溫蒸汽,使發電功率和能源利用效率得到大幅提升,改善余熱發電系統的經濟性,同時提高余熱發電系統的靈活性,顯著提高經濟效益。
圖8:低品位蒸汽過熱提質綜合利用技術路線
煉鋼過程中產生的高溫余熱采用熔鹽作為換熱儲熱介質,通過煙氣-熔鹽換熱器加熱熔鹽。熔鹽在換熱器中的流動方向與煙氣的流動方向相反,低溫熔鹽從煙氣出口進入換熱器,與煙氣換熱成為高溫熔鹽,存儲在高溫鹽儲罐中。高溫熔鹽通過熔鹽泵經過過熱器,對煉鋼過程中產生的低品位飽和蒸汽進行過熱產生過熱蒸汽,或者設置過熱器、蒸發器、預熱器,高溫熔鹽與水換熱生產過熱蒸汽,高溫熔鹽經過換熱后成為低溫熔鹽,進入低溫熔鹽儲罐,生產的過熱蒸汽驅動汽輪機發電。通過熔鹽儲熱系統將間歇性余熱資源變為穩定輸出的熱源,整個循環系統可以使高溫余熱保持高品質熱能,同時也可提質低品位蒸汽,有效降低企業的用能成本,大幅提高鋼鐵廠高溫余熱的回收利用效率。
3.3 熔鹽儲熱在煤氣發電調峰中的應用
煤氣發電在鋼鐵冶煉過程中,主要起到被動消納煤氣的作用,所以主動調節能力較弱,因此鋼鐵企業作為重要的電力用戶主動參與電網平衡,在應對未來新能源更大規模、更高質量發展中,起到的作用就較弱。熔鹽可利用的最高溫度,與目前煤氣發電機組的運行溫度比較匹配,因此利用熔鹽儲熱與煤氣發電機組耦合,實現對煤氣發電機組靈活性的提升,從而實現鋼鐵企業的調峰功能。
圖9:熔鹽儲熱在煤氣發電調峰中應用的技術路線
雙罐熔鹽儲熱系統與原煤氣發電系統并聯運行,通過存儲煤氣燃燒產生的熱量,控制向汽輪機輸送的主蒸汽參數,實現調峰目的。儲熱系統與原煤氣發電系統協作運行,儲熱系統給水由原煤氣發電系統供應,儲熱系統煙氣并入原煤氣發電系統,儲熱系統產生蒸汽并入原煤氣發電系統。儲熱時原本進入余熱鍋爐燃燒發電的煤氣,取一部分煤氣進入儲熱系統對低溫熔鹽進行加熱,實現源煤氣發電系統的出力降低;放熱時原發電系統鍋爐給水經過儲熱系統中鹽水換熱器進行加熱,產生蒸汽并入原煤氣發電系統,實現原煤氣發電機組出力升高。
2022年6月,建龍集團與思安新能源簽訂煤氣綜合利用發電項目技改工程合同,此項目作為煤氣熔鹽儲熱調峰應用場景在鋼鐵行業的首個示范案例。項目擬建設一套裝機規模5MW的燃燒高爐煤氣加熱熔鹽進行調峰和消納新能源光伏發電系統,系統設計儲熱6h,放熱6h,產生高溫超高壓參數的蒸汽,并入煤氣發電機組發電,可實現調峰30000kWh/d。設計按機組日運行小時數按24小時,年運行小時數按8000小時計。新建熔鹽換熱器可實現副產高溫超高壓13.7MPa,540℃蒸汽,為煤氣發電項目提供調峰蒸汽。目前項目正在緊張設計施工過程中,預計今年下半年度成功交付運營。
圖10:建龍煤氣綜合利用發電技改項目現場施工圖
4、未來發展前景和展望
硝酸熔鹽儲熱技術作為目前大規模儲能技術中應用較為成熟穩定的技術,正受到越來越多的重視,并且在清潔能源供熱、火電深度調峰、余熱回收等領域有了一定規模化的應用。在新的發展形勢下,鋼鐵企業節能提效的力度加大,需要在傳統節能的理念上進行創新,儲熱技術在不同的技術利用余熱余能中是一個強大的熱管理工具,根據前期的實踐證明,熔鹽儲熱系統在鋼廠中的創新應用,能夠給鋼鐵企業帶來多種益處。
一是穩定煤氣、燒結、轉爐等波動較大余熱余能資源的熱能輸出,提高余熱發電機組發電效率。以長流程為主鋼鐵制造流程具有典型的耗散結構特征,使得能源流“質”和“量”具有寬幅波動性,不利于能源的高效利用。利用熔鹽儲熱可以在余熱余能資源“質”和“量”增大時進行存儲,減少放散和浪費,在余熱余能資源“質”和“量”減少時進行放熱,維持用熱設備的穩定運行;同時還能解決生產側短時故障帶來的緊急停機、系統防凍等功能問題,通過穩定余熱余能資源“質”和“量”的穩定性,保證用能設備高效運行,減少放散,從而提高整體能源利用率。
二是在差別電價約束下,利用峰谷價差生產,保證生產的同事降低企業生產成本。由于峰谷價差越來越大,企業生產成本壓力很大,雖然在保證生產的同時企業會采用避峰生產的措施,但充分利用峰谷價差進一步降低成本仍有很大的空間。利用電網的谷價電生產,由熔鹽儲熱系統將余熱余能資源儲存,在電價高峰時段用儲存的余熱余能資源發電,企業少用電網的峰價電,通過峰谷套利的形式獲得穩定的經濟效益。在不影響生產,不影響能源流穩定的情況下,進一步擴大生產成本下降空間,儲熱在大規模調峰應用具有較大的優勢。
三是在減產減排降耗約束下,通過調峰服務,促進可再生能源消納,降低單位產能的碳排放,避免大量壓縮產能,減少企業損失。在碳排放量結構方面,工業碳排放是繼發電之后第二大排放部門,鋼鐵企業則是工業碳排放的最大行業。2021年1月26日,國務院新聞發布會披露,工信部與國家發改委等相關部門正在研究制定新的產能置換辦法和項目備案的指導意見,逐步建立以碳排放、 污染物排放、能耗總量為依據的存量約束機制,因此短期壓減產能是一條行之有效的措施。因此,在供給側和需求側改革雙重壓力下,鋼鐵企業通過配置熔鹽儲熱系統增加企業用能調節靈活性,實現新能源的大幅消納,從而優化用能結構,將是未來企業生存的重要手段。
四是參與電力輔助服務,進行需求側響應,通過低成本電力和服務補貼,增加企業收益。在促進可再生能源消納的要求下,用戶側參與輔助服務市場的調峰服務,是目前電力體制改革中重要的一項工作,已經有示范區在運行。如甘肅電力需求側輔助服務市場投運以來,張掖、武威、蘭州地區5家企業參與市場交易,涉及碳化硅、鐵合金等行業,增加調峰能力20萬千瓦,增發新能源578萬千瓦時,用戶側收益102.46萬元,用戶側參與交易時段內用電成本降低0.18元/千瓦時。以往部分地區出現短時、區域性缺電時,往往需啟動有序用電措施,對部分工業進行限電,不可避免會影響企業正常生產,利用儲熱在限電時發電,盡量減少因為限電影響企業生產,降低企業損失。
在能源密集型制造業中,鋼鐵制造行業是迄今為止最受關注的行業,在“碳達峰”“碳中和”的背景下,及鋼鐵節能空間日趨變窄的嚴峻形勢下,通過充分發揮儲熱系統在構建多能互補的綜合能源體系中的作用,提高余熱余能資源利用率,加大可再生能源應用比例,加快推進鋼鐵能效提升及能源結構優化,同時降低CO2排放和能源成本,這是未來提升企業競爭力的重要途徑。(薛曉迪)




























